
最高精度0.05級,表盤朝向330°旋轉,支持藍牙配置參數和數據記錄導出
MD-S211高精度數字壓力表是一款可330°旋轉的高精度壓力表,它采用主屏和副屏的分屏顯示,在主屏顯示實時壓力同時,分屏顯示環境溫度、壓力最大值、壓力最小值,量程范圍等參考數據。
產品功能強大,可切換多種常見的壓力單位顯示,壓力采集速率可調,可記錄采集數據通過type-c數據線或藍牙功能導出記錄的數據。
可通過藍牙功能或按鍵對多種參數進行設置該設備標配type-c外供電,可選type-c外供電+3節AAA電池供電或者type-c外供電+可充電電池供電,多種供電模式,使用更方便。
產品應用:
◇ 便攜式壓力測量設備 ◇ 壓力儀器儀表配套 ◇ 壓力監測儀表、校準儀器
◇ 工程機械設備配套 ◇ 壓力實驗室 ◇ 工業過程控制
☆ 原裝進口壓力傳感器,精度0.05%,0.1%,0.5%可選
☆ 表盤可330°旋轉
☆ 最多可記錄270000條數據,可通過電腦或藍牙小程序導出數據
☆ 多種供電方式:可選type-c外供電+3節AAA電池供電或type-c外供電+可充電電池供電
☆ 多達15種壓力單位可切換,應用領域更廣泛
☆ 藍牙功能,可對多種參數進行設置
☆ 量程:(-0.1...0~0.1...1...10...70)MPa
壓力量程:(-0.1...0~0.1..1...10..70)MPa
過載壓力:150%
供電方式:type-c外供電+3節AAA電池供電;type-c外供電+充電電池供電
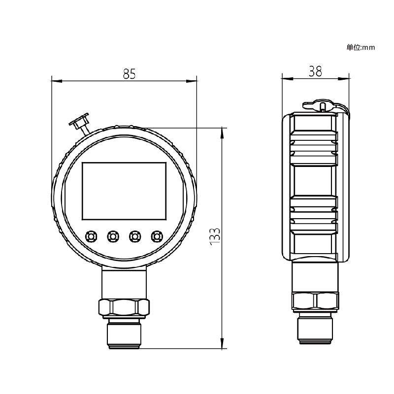
表盤尺寸:85mm
精度等級:0.05%FS 0.1%FS 0.5%FS
輸出信號:無輸出
數據存儲:可存儲10條記錄,每條最多27000個數據,共270000個數據
工作溫度:-5~ 40℃
背光顏色:綠色
采樣速率:0.1~10秒/次
測量介質:與316不銹鋼兼容的氣體或液體
壓力接口:M20*1.5,G1/2,G1/4或其它螺紋
接頭材質:304不銹鋼
旋轉角度:330°
產品功能:開機/關機 背光 清零 單位切換 極值顯示 溫度顯示 數據記錄及導出
外殼材質:鑄鋅
防護等級:IP65

質量實行三包,質保6個月,終身維護
直徑80mm,精度0.4級 0.2級可選,是S280的衍生產品,用于各種測量水、氣體、...
直徑80mm,精度0.4級,是S280的衍生產品,316L不銹鋼膜片 采用KF50卡箍齊...
直徑80mm,精度0.2級,可設置定時壓力采集,數據記錄超過3000條數據。 標配U...
直徑80mm,0.4級 0.2級可選,304不銹鋼外殼及接頭。 2節AAA電池供電,續航...
產品方案咨詢電話:021-57780480會務媒介合作電話:021-57780436售后服務電話:021-57724694企業傳真:021-51564102 33275110 |
企業郵箱 E-mailMarketing@meokon.com.cn |
![]() |
友情鏈接: Made-in-china?阿里巴巴國際站?中國智能制造網?中國化工儀器網?中國制造網?阿里巴巴中國站?企業郵箱?
Copyright 2014 @Shanghai Mingkong Sensor Technology CO.,Ltd 上海銘控傳感技術有限公司 企業郵箱 滬ICP備14000488號-1
滬公網安備 31011802003696號